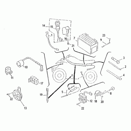
Electrical Parts (Kasea Skyhawk 250 Quad)

Change Assembly

Electrical Parts (Kasea Skyhawk 250 Quad)
# Product Name Req'd Price:
0 Reverse Gear C.D.I Unit
62540-QUA-00
$89.96
1 NEUTRAL LIGHT ASS'Y
55550-RAM-00
$9.76
2 SCREW DRIVER
56120-CBT-00
$6.97
3 TOOL PLUG
56140-CBT-00
$4.18
4 GAUGE, AIR
56190-RAM-00
5 WIRE,HARNESS
61120-CBT-02
6 FUSE (15A250V)
61151-CHP-00
$2.73
7 BATTERY ASS'Y (YTX9A-BS)
62100-CHP-00
$50.94
8 CABLE,BATTERY
62110-CBT-00
$4.18
9 CABLE, EARTH
62120-RAM-00
$6.82
10 IGNITION COIL ASS'Y
62310-CBT-00
$46.90
11 Flasher Relay
62350-NAF-01
$15.06
12 RECTIFIER REGULATOR COMP
62360-CBT-00
$42.02
13 SMC 49cc Scooter Horn
62370-NAF-00
$18.83
14 KEY SET
62500-RAM-00
15 MAIN SWITCH ASS'Y
62501-RAM-00
$45.62
16 LOCK COMP,STEERING HANDLE
62503-RAM-00
17 C.D.I. UNIT ASS' Y
62540-CBT-00
$79.00
18 STARTER RELAY SWITCH COMP
62550-CBT-00
$51.98
19 SWITCH ASS'Y,REAR STOP
62980-CHP-00
$9.76
Showing 1 to 20 of 24 (2 Pages)